Benutzer-Werkzeuge

Webseiten-Werkzeuge


kommutierung

Start | Technik | Elektronik | Links

Kommutierung

aus: Kommutierung aus Wikipedia, der freien Enzyklopädie Wechseln zu: Navigation, Suche

Kommutierung bezeichnet in der Leistungselektronik den Vorgang, bei dem ein Stromfluss von einem Zweig zum anderen übergeht. Da Stromkreise immer parasitäre Induktivitäten enthalten und auch die meisten elektrischen Lasten ohm-induktiv sind, kann sich der Strom nicht schlagartig ändern. D.h. er muss beim Ausschalten erst abgebaut werden und beim Einschalten erst aufgebaut werden. Somit werden oft Freilaufdioden eingesetzt, die den Stromfluss übernehmen können, da es sonst zu sehr hohen Überspannungen kommen würde, wenn der Stromfluss in einer Induktivität schlagartig unterbrochen wird.

Neben der Kommutierung mit Halbleiterventilen steht die Kommutierung mit mechanischen Schaltern, dieses Prinzip findet bei der Gleichstrommaschine (Kommutator_(Elektrotechnik)) Anwendung.

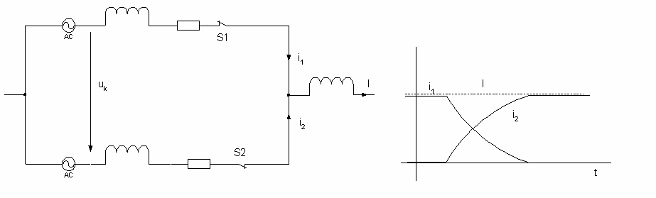
In der unteren Abbildung wird noch einmal deutlich, wie der Stromfluss, getrieben von der Kommutierungsspannung uk, zwischen den beiden Zweigen wechselt (kommutiert). Während der Kommutierung sind beide Stromzweige kurzgeschlossen. Wenn der Strom i1 abkommutiert ist, also auf Null abgeklungen ist, öffnet der Schalter S1, der Laststrom I fließt über den Schalter S2.

Handelt es sich bei der Kommutierungsspannung um ein Wechsel- oder Drehstromnetz spricht man auch von natürlicher Kommutierung. Dieses Prinzip kommt bei netz- oder lastgeführten Thyristor- oder Diodenschaltungen zum Einsatz.

kommutierung.txt · Zuletzt geändert: 2006/09/19 22:26 (Externe Bearbeitung)