elweb Bilder - Bilderdatenbank elweb

Home > User galleries > bernd m > test_bernd_m

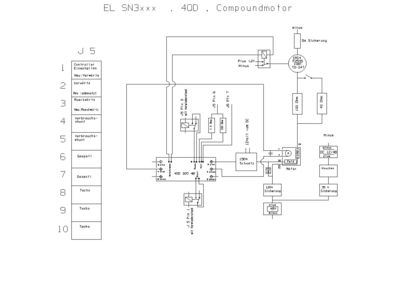
Umbau Schaltplan
EL SN 3xxxx mit 4QD und Compoundmotor
Der 4QD bekommt das Plus über der Feldspule.
Die Compoundspule wird über IGBT geschaltet

Umbau Schaltplan
EL SN 3xxxx mit 4QD und Compoundmotor
Der 4QD bekommt das Plus über der Feldspule.
Die Compoundspule wird über IGBT geschaltet

pic0025.jpg verd__i_aufger_k.jpg heizungsdioden_k.jpg trafo2.jpg 4qd_compound_EL.jpg P1040172k.jpg DSC00682.JPG DSC00678.JPG Rathausgarage.jpg



Rate this file (No vote yet)



File information
Filename:4qd_compound_EL.jpg
Album name:bernd m / test_bernd_m
Filesize:61 KiB
Date added:Dec 03, 2009
Dimensions:1168 x 825 pixels
Displayed:310 times
URL:http://www.elweb.de/coppermine/displayimage.php?pid=589
Favorites:Add to Favorites